• 产品详情

      AT气动执行机构

      ATD63气动执行机构

      概 述
      ATD新型齿轮齿条式气动执行器综合了国内外最新技术,通过CAD三维模型创新优化设计,外形美观紧凑;并采用实用新型材料、新工艺,使产品的质量、性能更加可靠;多规格选型更经济实惠;产品全面符合最新国际标准技术规范,满足现在和未来的需求。

      ATD简介

      ①齿轮齿条双活塞对称结构设计,动作快速平稳,精度高,输出功率大,通过简单的改变活塞装配位置可得到反方向旋转。
      ②挤压的优质铝合金缸体,经精密加工的内孔和外部表面进行硬质阳极氧化处理(特殊情况下阳极氧化+特氟隆涂层),使用寿命更长,摩擦系数低。
      ③一体式设计,所有的双作用和单作用执行器型号,都具有相同的缸体和端盖,很方便通过加装弹簧或拆除弹簧来改变作用方式。
      ④组合式预符荷安全弹簧组,不论在装配过程或使用现场中,都能方便而安全的安装或增减弹簧数量。
      ⑤外部侧面两个单独调节螺钉对于已安装在阀门上的执行器更是精确方便,调节阀开和阀关位置,如需全行程调节时则另外在两个端盖处配置较长调节螺钉。
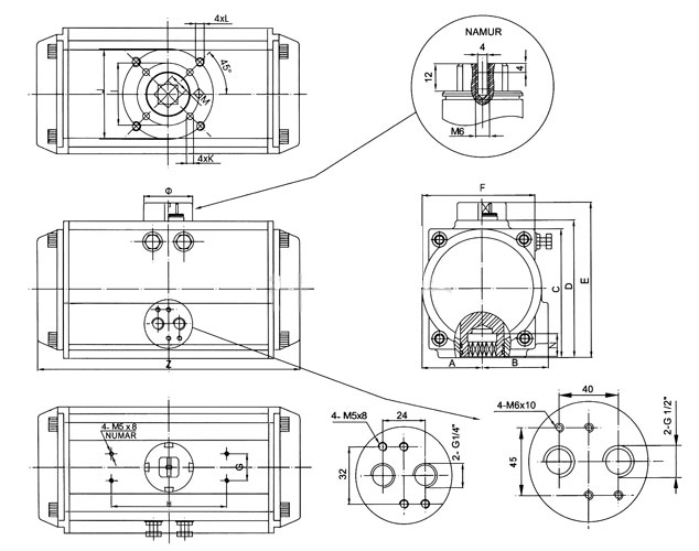
      ⑥多功能位置指示器,现场可视化指示,符合VID/VIE3845、NAMUR标准槽,能安装并输出所有附件,如限位开关盒、电气定位器、位置传感器。
      ⑦气源接口符合NRMAR标准,可直接安装NUMAR标准电磁阀。
      ⑧齿条背面的复合材料轴瓦和活塞导向环以及输出轴的轴承等为防止金属对金属的摩擦,并且增加润滑,使其低摩擦、长寿命。
      ⑨所有的紧固件均采用不锈钢材料,长期抗腐蚀。
      ⑩连接部分符合全新国际标准规范ISO5211,DIN3337(F03-F25)使产安装具有互换性、通用性。
      外形及连接尺寸表(见图及表格)

      气动执行机构外形尺寸

      型号
      A
      B
      C
      D
      E
      F
      G
      H
      ATD/SRD050
      30 41.5 65.5 72 92 65 30 80
      ATD/SRD065
      36 47 81 87.5 107.5 72 30 80
      ATD/SRD083
      42 53 94 99.5 119.5 81 30 80
      ATD/SRD100
      46 57 98.5 108.7 128.7 92 30 80
      ATD/SRD125
      50 58.5 111 116.5 136.5 98 30 80
      ATD/SRD160
      57.5 64 122.5 133 153 109.5 30 80
      ATD/SRD200
      67.5 74.5 145.5 155 175 127.5 30 80
      I
      J
      K
      L
      M
      N
      Z
      Φ
      气源接口
      Φ36
      Φ50
      M5×8
      M6×10
      11
      14
      147
      Φ40
      G1/4″
      Φ50
      Φ70
      M6×10
      M8×13
      14
      18
      168
      Φ40
      G1/4″
      Φ50
      Φ70
      M6×10
      M8×13
      14
      18
      184
      Φ40
      G1/4″
      Φ50
      Φ70
      M6×10
      M8×13
      17
      21
      204
      Φ40
      G1/4″
      Φ50
      Φ70
      M6×10
      M8×13
      17
      21
      262
      Φ40
      G1/4″
      Φ70
      Φ102
      M8×13
      M10×16
      22
      26
      268
      Φ40
      G1/4″
      Φ70
      Φ102
      M8×13
      M10×16
      22
      26
      301
      Φ55
      G1/4″
      双作用式输出扭矩表
      型号
      输出扭矩(N.m)
      0.4MPa
      0.5MPa
      0.6MPa
      0.7MPa
      ATD050
      16.0 20.0 23.9 27.9
      ATD065
      46.5 58.2 69.8 81.4
      ATD083
      73.2 91.5 110.0 128.0
      ATD100
      172.0 215.0 258.0 301.0
      ATD125
      348.0 435.0 522.0 609.0
      ATD160
      454.0 567.0 681.0 794.0
      ATD200
      851.0 1064.0 1276.0 1489.0
      传动结构原理

      气动执行机构工作原理

      产品订购

      产品名称:*

      产品规格:*

      产品数量:*

      您的姓名:*

      您的地址:

      您的电话:*

      E-mail:*

      详细内容:*

      验证码:* (*请输入计算结果)

    Copyright ©2006-2025 Xuda Fluid all rights reserved 苏ICP备16042488号